empty basket
Ваша корзина пуста
Выберите в каталоге интересующий товар
и нажмите кнопку «В корзину».
Перейти в каталог
empty delayed
Отложенных товаров нет
Выберите в каталоге интересующий товар
и нажмите кнопку
Перейти в каталог
Заказать звонок
г. Минск
Поиск
Загрузка каталога товаров...
+375 (29) 5000 877
+375 (29) 5000 877
Почтовый адрес: ул. Тимирязева, д.65, п.я 70
9:00-21:00 9:00-20:00
Заказать звонок

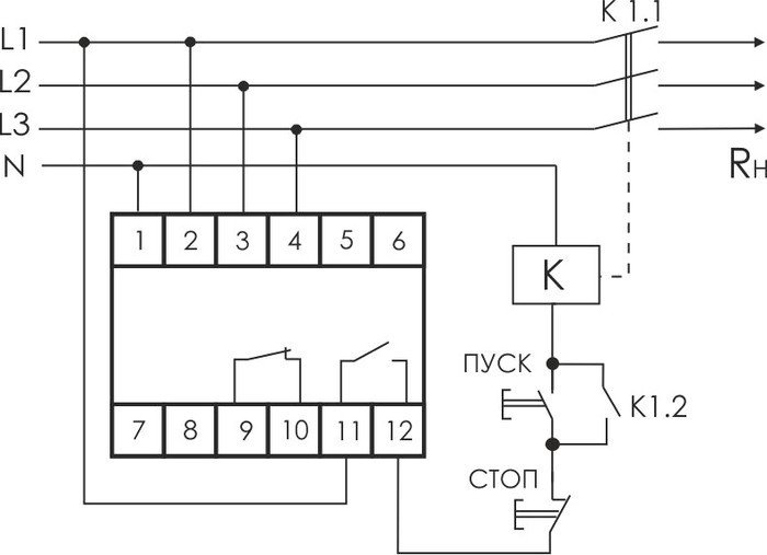
Реле напряжения Евроавтоматика F&F CP-731 EA04.009.005

Реле напряжения Евроавтоматика F&F CP-731 EA04.009.005
Реле напряжения Евроавтоматика F&F CP-731 EA04.009.005
В наличии
195.61 BYN.
-14%
195.61 BYN.
- +
В избранное
В избранном
В сравнение
В сравнении
раб. напряжение переменного тока 50-450 В, контроль перенапряжения 230-290 В, контроль падения напряжения 150-210 В, ном. ток нагрузки 8 А, мощность нагрузки 250-1000 Вт, время срабатывания 0.1-0.3 с
Артикул: M0947720
В наличии
Розничная цена
Цена
226.51 BYN.
Цена со скидкой
195.61 BYN.
Скидка 30.90 BYN.
* скидки не действуют при покупке в рассрочку
Рассрочка
от 5.49 BYN. в месяц (36 мес.) Все варианты
- +
шт.
Гарантия
как в обычном магазине, 24 мес.

Условия доставки
по Минску возможна 25.02.2026 бесплатно
по Беларуси займет до 8 дн., стоимость 15 р.
Низкая цена по сравнению с предложениями других магазинов на данный товар
Специальные цены для зарегистрированных пользователей, вы можете купить данный товар на 9,55 р. дешевле!
Обратите внимание цены на нашем сайте обновляются каждые 2 часа. Закажите товар сейчас, так как цена и условия доставки могут измениться.

Основные
Типреле напряжения
Количество НО контактов1
Количество НЗ контактов1
Индикация состояниясветодиодная
Цвет корпусабелый
Технические характеристики
Тип токапеременный (AC)
Рабочее напряжение переменного тока50 — 450 В
Диапазон контроля перенапряжения230 — 290 В
Диапазон контроля падения напряжения150 — 210 В
Время срабатывания0.1 — 0.3 с
Номинальный ток нагрузки8 А
Мощность нагрузки250 — 1 000 Вт
Потребляемая мощность1.75 Вт
Эксплуатационные характеристики
Диапазон рабочих температурот -25 до +50 °C
Допустимая относительная влажность80 %
Степень пыле- и влагозащитыIP20
Класс электробезопасностикласс III
Климатическое исполнениеУХЛ4
Категория примененияAC-1, AC-3, AC-15, DC-1
Степень загрязнения2
Коммутационная износостойкость100 000 циклов
Размеры и вес
Высота90 мм
Ширина52 мм
Глубина65 мм
Вес130 г
Изготовитель: -
Поставщик в РБ: ООО "Триовист" юр.адрес: 220020, Минск, пр. Победителей, 100, оф. 203
Сервисный центр: ООО МультикомБай, г.Минск,ул.Тимирязева, д.67, пом.21
Страна сборки: БЕЛАРУСЬ
Нужна консультация?
Сомневаетесь, подойдет ли вам этот товар?
Позвоните мне
Задать вопрос