empty basket
Ваша корзина пуста
Выберите в каталоге интересующий товар
и нажмите кнопку «В корзину».
Перейти в каталог
empty delayed
Отложенных товаров нет
Выберите в каталоге интересующий товар
и нажмите кнопку
Перейти в каталог
Заказать звонок
г. Минск
Поиск
Загрузка каталога товаров...
Войти
+375 (29) 5000 877
+375 (29) 5000 877
Почтовый адрес: ул. Тимирязева, д.65, п.я 70
9:00-21:00 9:00-20:00
Заказать звонок

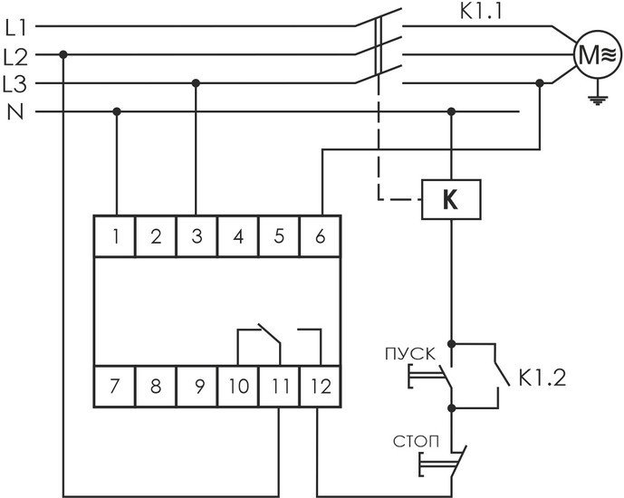
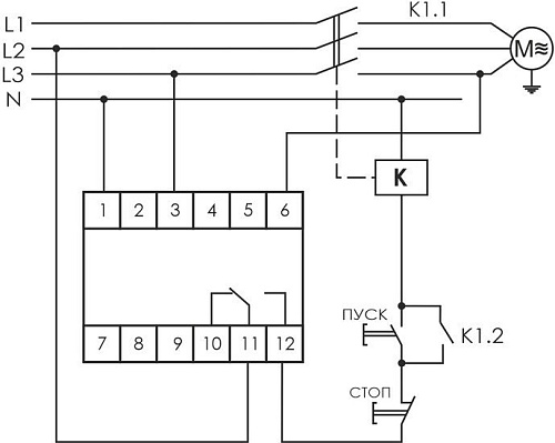
Реле защиты двигателя Евроавтоматика F&F RKI EA05.003.001

Реле защиты двигателя Евроавтоматика F&F RKI EA05.003.001
Реле защиты двигателя Евроавтоматика F&F RKI EA05.003.001
В наличии
88.22 BYN.
-6%
88.22 BYN.
- +
В избранное
В избранном
В сравнение
В сравнении
раб. напряжение переменного тока 230 В, ном. ток нагрузки 16 А, время срабатывания 0-2 с
Артикул: M0947810
В наличии
Розничная цена
Цена
94.32 BYN.
Цена со скидкой
88.22 BYN.
Скидка 6.10 BYN.
* скидки не действуют при покупке в рассрочку
Рассрочка
от 2.45 BYN. в месяц (36 мес.) Все варианты
- +
шт.
Гарантия
как в обычном магазине, 24 мес.

Условия доставки
по Минску возможна 26.02.2026 бесплатно
по Беларуси займет до 9 дн., стоимость 9 р.
Специальные цены для зарегистрированных пользователей, вы можете купить данный товар на 19,22 р. дешевле!
Обратите внимание цены на нашем сайте обновляются каждые 2 часа. Закажите товар сейчас, так как цена и условия доставки могут измениться.

Общая информация
Модель товара
ИнформацияRKI Предназначено для контроля сопротивления изоляции в обмотках двигателей, трансформаторов и т.п. в одно и трехфазных сетях переменного тока.
Защита промышленных установок, электродвигателей, трансформаторов и другого электрооборудования от включения при повреждении изоляции.
Диапазон контроля сопротивления изоляции 0,5…1 мОм;
Гальваническая развязка между исполнительными реле (сухой контакт) и цепью питания;
Максимальный ток нагрузки 16 А.
Описание
Основные
Типреле защиты двигателя
Количество переключающих контактов (COM)1
Индикация состояниясветодиодная
Цвет корпусабелый
Технические характеристики
Тип токапеременный (AC)
Рабочее напряжение переменного тока230 В
Время срабатывания0 — 2 с
Номинальный ток нагрузки16 А
Эксплуатационные характеристики
Диапазон рабочих температурот -25 до +50 °C
Степень пыле- и влагозащитыIP20
Климатическое исполнениеУХЛ4
Категория примененияAC-1, AC-15
Коммутационная износостойкость100 000 циклов
Размеры и вес
Количество модульных расстояний1
Сечение подключаемого провода2.5 кв.мм
Высота90 мм
Ширина18 мм
Глубина65 мм
Вес60 г
Изготовитель: -
Поставщик в РБ: ООО МультикомБай, г.Минск,ул.Тимирязева, д.67, пом.21
Сервисный центр: ООО МультикомБай, г.Минск,ул.Тимирязева, д.67, пом.21
Страна сборки: БЕЛАРУСЬ
Нужна консультация?
Сомневаетесь, подойдет ли вам этот товар?
Позвоните мне
Задать вопрос